Термостат Fantini CH110 для внутрипольного конвектора

В данном форуме Вы можете задать свой вопрос по радиаторному отоплению и получить на него ответ технических специалистов компании "Дюйм", а также ознакомиться с ранее заданными вопросами и комментариями.

Модераторы: Генералиссимус, Вадим Никольский

Ответить
Каталов Сергей
Сообщения: 4
Зарегистрирован: Ср июл 17, 2019 3:28 pm
Город: Нижний Новгород

Термостат Fantini CH110 для внутрипольного конвектора

Сообщение Каталов Сергей »

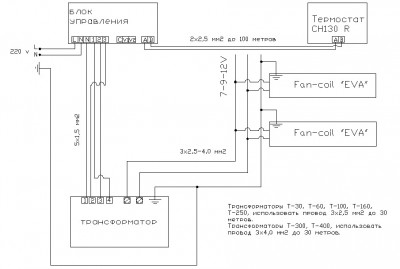
Добрый день!
Раньше для управления скоростью вентилятора внутрипольного конвектора использовался
термостат CH 130R, подключаемый через блок управления к трансформатору.
У трансформатора четыре входа( общий и 3 входа, при подаче на которые 220в, выдается напряжения на вентилятор
7-9-12 соответственно). См вложение.
Можно ли обойтись сейчас без модуля , используя Термостат Fantini CH110? Где найти электрическую схему подключения
термостата к трансформатору?
Спасибо.
Вложения
СН130 ARR, RR.jpg
Suslov Vasilii
Сообщения: 499
Зарегистрирован: Ср фев 25, 2009 6:09 pm
Город: Москва

Re: Термостат Fantini CH110 для внутрипольного конвектора

Сообщение Suslov Vasilii »

Добрый день!
CH110 предназначен для одноступенчатого регулирования.
Для 3-ступенчатого производитель предлагает термостаты Siemens RDF 310 или RDF 600Т
Все схемы есть в каталоге, каталог можно скачать здесь https://eva-konvektory.ru/komplektuyush ... ostaty-eva
Схемы оттуда.
Вложения
Безымянный1.png
Безымянный.png
Ответить

Вернуться в «Радиаторное отопление»