Подключение циркуляционного насоса к бойлеру HAJDU AQ IND FC

В данном форуме Вы можете задать свой вопрос по системам водоснабжения и получить на него ответ технических специалистов компании "Дюйм", а также ознакомиться с ранее заданными вопросами и комментариями.

Модераторы: Генералиссимус, Вадим Никольский

shapic
Сообщения: 7
Зарегистрирован: Пн сен 10, 2018 11:46 am
Город: Москва

Подключение циркуляционного насоса к бойлеру HAJDU AQ IND FC

Сообщение shapic »

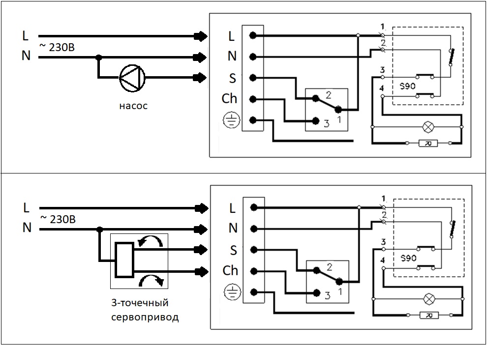
Уважаемые специалисты, подскажите пожалуйста как подключить циркуляционный насос (в части электричества на какие раъемы) используя штатное термореле бойлера косвенного нагрева HAJDU AQ IND FC 150 дооборудованного штатным тэном (ТЭН Hajdu для AQ IND FC фланцевый 2,4кВт)?
Иными словами на "выходе" для нагрева необходимо обеспечить попеременную в "ручном" режиме (не параллельную) работу насоса для нагрева воды с использованием теплоносителя или работу электрического тэна.
Заранее благодарен откликнувшимся.

Сергей Шаповалов
Вложения
Электрическая схема тэна с электрической обвязкой
Электрическая схема тэна с электрической обвязкой
Suslov Vasilii
Сообщения: 499
Зарегистрирован: Ср фев 25, 2009 6:09 pm
Город: Москва

Re: Подключение циркуляционного насоса к бойлеру HAJDU AQ IN

Сообщение Suslov Vasilii »

Добрый день!
Вложения
эл. подключение Hajdu.jpg
shapic
Сообщения: 7
Зарегистрирован: Пн сен 10, 2018 11:46 am
Город: Москва

Re: Подключение циркуляционного насоса к бойлеру HAJDU AQ IN

Сообщение shapic »

Спасибо, Валерий.
А тэн получается будет работать одновременно с насосом или ...? Как этот вопрос предусмотрел производитель, не подскажете? как обеспечить управляемое переключение между работой тэна и насоса.?
Suslov Vasilii
Сообщения: 499
Зарегистрирован: Ср фев 25, 2009 6:09 pm
Город: Москва

Re: Подключение циркуляционного насоса к бойлеру HAJDU AQ IN

Сообщение Suslov Vasilii »

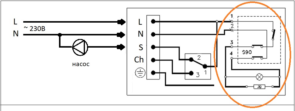
ТЭН на схеме обозначен справа (в овале)
У него свой термостат, уже подключённый к клеммной колодке.
Т.е., фактически, у AQ IND FC два независимых термостата: один на змеевик, и один у ТЭНа.
Для сопряжения их работы можно на ТЭНе задать Т чуть меньше, чем на змеевик (насос). А на насос поставить отдельный выключатель. Тогда ТЭН будет включаться только тогда, когда воду не может нагреть змеевик.
Вложения
Безымянный.png
1.jpg
shapic
Сообщения: 7
Зарегистрирован: Пн сен 10, 2018 11:46 am
Город: Москва

Re: Подключение циркуляционного насоса к бойлеру HAJDU AQ IN

Сообщение shapic »

Спасибо большое, Василий! (Первый раз ошибся с именем, простите)
Теперь более понятно.
В бойлере есть блок термостата (синий с серым основанием) с красным вертушком со стрелкой. Что им регулируется, не проясните? Не это ли термостат тэна с регулировкой температуры включения или выключения ( не знаю)?
Suslov Vasilii
Сообщения: 499
Зарегистрирован: Ср фев 25, 2009 6:09 pm
Город: Москва

Re: Подключение циркуляционного насоса к бойлеру HAJDU AQ IN

Сообщение Suslov Vasilii »

Да, это термостат ТЭНа.
И обязательно не забудьте подключить заземление к клемме
Вложения
Безымянный.png
shapic
Сообщения: 7
Зарегистрирован: Пн сен 10, 2018 11:46 am
Город: Москва

Re: Подключение циркуляционного насоса к бойлеру HAJDU AQ IN

Сообщение shapic »

Василий, жёлтой стрелкой указано на подключение насоса к клемме Ch. Это наверное ошибка, т.к. на первой схеме насос подключается к S. Не так ли или это что-то другое?
Suslov Vasilii
Сообщения: 499
Зарегистрирован: Ср фев 25, 2009 6:09 pm
Город: Москва

Re: Подключение циркуляционного насоса к бойлеру HAJDU AQ IN

Сообщение Suslov Vasilii »

указано подключение к S.
кажется на Ch из-за угла обзора.
shapic
Сообщения: 7
Зарегистрирован: Пн сен 10, 2018 11:46 am
Город: Москва

Re: Подключение циркуляционного насоса к бойлеру HAJDU AQ IN

Сообщение shapic »

Спасибо большое, Василий!
shapic
Сообщения: 7
Зарегистрирован: Пн сен 10, 2018 11:46 am
Город: Москва

Re: Подключение циркуляционного насоса к бойлеру HAJDU AQ IN

Сообщение shapic »

Василий, Будет ли ошибкой поставить в разрыв между фазой L и входом в термостат тэна "1" трехпозиционный переключатель для полного отключения/включения одного или другого устройства?
Ответить

Вернуться в «Системы водоснабжения»