Подключение циркуляционного насоса к бойлеру HAJDU AQ IND FC

В данном форуме Вы можете задать свой вопрос по системам водоснабжения и получить на него ответ технических специалистов компании "Дюйм", а также ознакомиться с ранее заданными вопросами и комментариями.

Модераторы: Генералиссимус, Вадим Никольский

Suslov Vasilii
Сообщения: 499
Зарегистрирован: Ср фев 25, 2009 6:09 pm
Город: Москва

Re: Подключение циркуляционного насоса к бойлеру HAJDU AQ IN

Сообщение Suslov Vasilii »

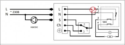
Думаю, можно вот так
Вложения
1.jpg
shapic
Сообщения: 7
Зарегистрирован: Пн сен 10, 2018 11:46 am
Город: Москва

Re: Подключение циркуляционного насоса к бойлеру HAJDU AQ IN

Сообщение shapic »

Спасибо большое!
Теперь все понятно!

Успехов!
bear69
Сообщения: 4
Зарегистрирован: Вс апр 05, 2020 1:29 pm
Город: Москва

Re: Подключение циркуляционного насоса к бойлеру HAJDU AQ IN

Сообщение bear69 »

Друзья, добрый день!
У меня похожая ситуация, только ТЭН не подключен к колодке, а сразу идет к розетке, у него свой термостат на голове. Хочется организовать совместную работу циркуляционного насоса и ТЭНа таким образом, чтобы ТЭН включался только тогда, когда котел не работает и циркуляционный насос не гоняет теплоноситель в змеевике.
Подскажите, пожалуйста, что я сделал неправильно, подключив встроенное термореле (по схеме) в разрыв фазы циркуляционного насоса? Фазу подключил на L и CH.
Suslov Vasilii
Сообщения: 499
Зарегистрирован: Ср фев 25, 2009 6:09 pm
Город: Москва

Re: Подключение циркуляционного насоса к бойлеру HAJDU AQ IN

Сообщение Suslov Vasilii »

Добрый день!
Что за бойлер (модель)?
Где схема?
bear69
Сообщения: 4
Зарегистрирован: Вс апр 05, 2020 1:29 pm
Город: Москва

Re: Подключение циркуляционного насоса к бойлеру HAJDU AQ IN

Сообщение bear69 »

Добрый день, Василий!
Модель бойлера напольного HAJDU AQ IND 200SC.
IMG_20200402_144038.jpg
bear69
Сообщения: 4
Зарегистрирован: Вс апр 05, 2020 1:29 pm
Город: Москва

Re: Подключение циркуляционного насоса к бойлеру HAJDU AQ IN

Сообщение bear69 »

Суслов Василий писал(а):Добрый день!
Что за бойлер (модель)?
Где схема?
Василий, я пока не понимаю как прикреплять больше одного фото, поэтому создам еще пару постов с фотографиями. Колодка и общий вид терморегулятора.
IMG_20200402_144141.jpg
bear69
Сообщения: 4
Зарегистрирован: Вс апр 05, 2020 1:29 pm
Город: Москва

Re: Подключение циркуляционного насоса к бойлеру HAJDU AQ IN

Сообщение bear69 »

Суслов Василий писал(а):Добрый день!
Что за бойлер (модель)?
Где схема?
а вот и сам регулятор (ручка). Когда я подключаю к клемме СН, этой ручкой можно включать и отключать насос (прямо слышно как он включается). Причем, что интересно, диапазон включения и отключения (вилка) по мере прогрева бойлера от котла, сдвигается в сторону +. Если же подключить к клемме S, то вообще ничего не происходит, насос молчит и не включается, даже если температура теплоносителя 50С. Датчик стоит в гильзе стандартный, по идее он должен управлять включением насоса, но нет.
IMG-20200415-WA0005.jpeg
Suslov Vasilii
Сообщения: 499
Зарегистрирован: Ср фев 25, 2009 6:09 pm
Город: Москва

Re: Подключение циркуляционного насоса к бойлеру HAJDU AQ IN

Сообщение Suslov Vasilii »

Ch и S - ответные клеммы термостата. Возможно, у Вас включение насоса запитано на Ch; проверяется тестером.
По первому вопросу - один из вариантов ответа есть на схеме выше. Нужно организовать отключение ТЭНа при включенном котле / насосе.
Как ТЭН узнает, что котёл / насос выключен - решать Вам. Можно вручную, можно организовать автоматику.
Будет лучше, если пригласите профессионального электрика / автоматчика.
Ответить

Вернуться в «Системы водоснабжения»